본문

모터(Motor) / 감속기(NMRV)
감속기 선정 기준표REDUCER SELECTION GUIDE
| 형 번 | 감속비 | 동 력 | 형 번 | 감속비 | 동 력 | ||||
| 모터동력 | 모터축경 | IEC 프레임 | 모터동력 | 모터축경 | IEC 프레임 | ||||
| 030 | 10 | 0.2KW | φ12 | 075 | 10 | 2.2KW | φ28 | IEC 100 | |
| 15 | 15 | ||||||||
| 20 | 20 | ||||||||
| 25 | 0.18KW/ 0.06KW |
φ12 | 25 | 1.5KW | φ24 | IEC 90 | |||
| 30 | 30 | ||||||||
| 40 | 40 | ||||||||
| 50 | 50 | 0.75KW | φ19 | IEC 80 | |||||
| 60 | 60 | ||||||||
| 040 | 10 | 0.4KW | φ14 | IEC 71 | 090 | 10 | 2.2KW | φ28 | IEC 100 |
| 15 | 15 | ||||||||
| 20 | 20 | ||||||||
| 25 | 0.2KW | φ11/ φ12 |
IEC 63 | 25 | |||||
| 30 | 30 | ||||||||
| 40 | 40 | 1.5KW | φ24 | IEC 90 | |||||
| 50 | 50 | ||||||||
| 60 | 0.15KW | φ12 | 60 | ||||||
| 050 | 10 | 0.75KW | φ19 | IEC 80 | 110 | 10 | 3.7KW | φ28 | IEC 112 |
| 15 | 15 | ||||||||
| 20 | 20 | ||||||||
| 25 | 0.4KW | φ14 | IEC 71 | 25 | |||||
| 30 | 30 | ||||||||
| 40 | 40 | 2.2KW | φ28 | IEC 100 | |||||
| 50 | 0.2KW | φ11/ φ12 |
IEC 63 | 50 | |||||
| 60 | 60 | ||||||||
| 063 | 10 | 1.5KW | φ24 | IEC 90 | 130 | 10 | 5.5KW | φ38 | IEC 132 |
| 15 | 15 | ||||||||
| 20 | 0.75KW | φ19 | IEC 80 | 20 | |||||
| 25 | 30 | ||||||||
| 30 | 40 | 3.7KW | φ28 | IEC 112 | |||||
| 40 | 50 | ||||||||
| 50 | 0.4KW | φ14 | IEC 71 | 60 | |||||
| 60 | |||||||||
비율에 따른 모터와 감속기의 분류REDUCER AND MOTOR SELECTION ACCORDING TO THE RATE

| 감속기 규격 | IEC 모터 형식 | 모터 플랜지 규격 | 감속비 | ||||||||||||
| P | M | N | 7.5 | 10 | 15 | 20 | 25 | 30 | 40 | 50 | 60 | 80 | 100 | ||
| 030 | 56B5 | 120 | 100 | 80 | 11 | 11 | 11 | 11 | 11 | 11 | 11 | 11 | 11 | 11 | |
| 56B14 | 80 | 65 | 50 | ||||||||||||
| 63B5 | 140 | 115 | 95 | 12 | 12 | 12 | 12 | 12 | 12 | 12 | 12 | 12 | 12 | ||
| 63B14 | 90 | 75 | 60 | ||||||||||||
| 040 | 63B5 | 140 | 115 | 95 | 11 | 11 | 11 | 11 | 11 | 11 | 11 | 11 | 11 | 11 | 11 |
| 63B14 | 90 | 75 | 60 | ||||||||||||
| 71B5 | 160 | 130 | 110 | 14 | 14 | 14 | 14 | 14 | 14 | 14 | |||||
| 71B14 | 105 | 85 | 70 | ||||||||||||
| 050 | 63B5 | 140 | 115 | 95 | 11 | 11 | 11 | 11 | 11 | ||||||
| 71B5 | 160 | 130 | 110 | 14 | 14 | 14 | 14 | 14 | 14 | 14 | 14 | 14 | 14 | 14 | |
| 71B14 | 105 | 85 | 70 | ||||||||||||
| 80B5 | 200 | 165 | 130 | 19 | 19 | 19 | 19 | 19 | 19 | ||||||
| 80B14 | 120 | 100 | 80 | ||||||||||||
| 063 | 71B5 | 160 | 130 | 110 | 14 | 14 | 14 | 14 | 14 | ||||||
| 71B14 | 105 | 85 | 70 | ||||||||||||
| 80B5 | 200 | 165 | 130 | 19 | 19 | 19 | 19 | 19 | 19 | 19 | 19 | 19 | 19 | ||
| 80B14 | 120 | 100 | 80 | ||||||||||||
| 90B5 | 200 | 165 | 130 | 24 | 24 | 24 | 24 | 24 | 24 | 24 | |||||
| 90B14 | 140 | 115 | 95 | ||||||||||||
| 075 | 71B5 | 160 | 130 | 110 | 14 | 14 | 14 | 14 | |||||||
| 80B5 | 200 | 165 | 130 | 19 | 19 | 19 | 19 | 19 | 19 | 19 | 19 | ||||
| 80B14 | 120 | 100 | 80 | ||||||||||||
| 90B5 | 200 | 165 | 130 | 24 | 24 | 24 | 24 | 24 | 24 | 24 | |||||
| 90B14 | 140 | 115 | 95 | ||||||||||||
| 100,112B5 | 250 | 215 | 180 | 28 | 28 | 28 | |||||||||
| 100,112B14 | 160 | 130 | 110 | ||||||||||||
| 090 | 80B5 | 200 | 165 | 130 | 19 | 19 | 19 | 19 | 19 | ||||||
| 80B14 | 120 | 100 | 80 | ||||||||||||
| 90B5 | 200 | 165 | 130 | 24 | 24 | 24 | 24 | 24 | 24 | 24 | 24 | 24 | |||
| 90B14 | 140 | 115 | 95 | ||||||||||||
| 100,112B5 | 250 | 215 | 180 | 28 | 28 | 28 | 28 | 28 | 28 | ||||||
| 100,112B14 | 160 | 130 | 110 | ||||||||||||
| 110 | 80B5 | 200 | 165 | 130 | 19 | 19 | |||||||||
| 90B5 | 200 | 165 | 130 | 24 | 24 | 24 | 24 | 24 | 24 | 24 | |||||
| 100,112B5 | 250 | 215 | 180 | 28 | 28 | 28 | 28 | 28 | 28 | 28 | 28 | 28 | |||
| 132B5 | 300 | 265 | 230 | 38 | 38 | 38 | 38 | ||||||||
| 130 | 90B5 | 200 | 165 | 130 | 24 | 24 | |||||||||
| 100,112B5 | 250 | 215 | 180 | 28 | 28 | 28 | 28 | 28 | 28 | 28 | |||||
| 132B5 | 300 | 265 | 230 | 38 | 38 | 38 | 38 | 38 | 38 | 38 | |||||
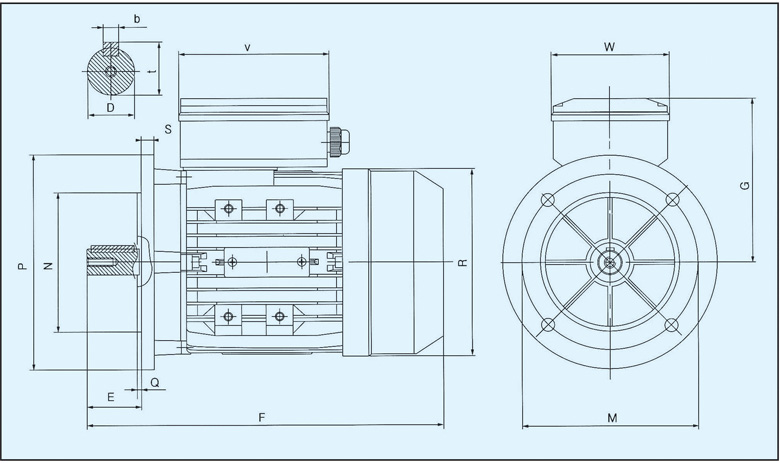
B5 타입 모터B5 TYPE MOTOR

| 모터 MOTER |
극수 No.Poles |
치수 DIMENSION | 케이블글랜드 Cable gland |
탭홀 Tapped hole |
|||||||||||||||
| D | E | F | f | G | H | M | N | P | Q | R | S | V | W | b | t | ||||
| 56 | 2-4-6-8 | 9j6 | 20 | 194 | 7 | 95 | 56 | 101.5 | 80j6 | 120 | 2.5 | 114 | 9 | 73 | 73 | 3 | 10.2 | M16+tappo | - |
| 63 | 11j6 | 23 | 220 | 10 | 100 | 63 | 115 | 95j6 | 140 | 3 | 128 | 9 | 80 | 80 | 4 | 12.5 | M16+tappo | M4×0.7 | |
| 71 | 14j6 | 30 | 255 | 10 | 105 | 71 | 160 | 110j6 | 130 | 3 | 140 | 9 | 80 | 80 | 5 | 16 | M20+tappo | M5×0.8 | |
| 80 | 19j6 | 40 | 292 | 12 | 135 | 80 | 165 | 130j6 | 200 | 3.5 | 160 | 12 | 105 | 105 | 6 | 21.5 | M20+tappo | M6×1 | |
| 90S | 24j6 | 50 | 337 | 12 | 137 | 90 | 165 | 130j6 | 200 | 3.5 | 175 | 12 | 105 | 105 | 8 | 27 | M20+tappo | M8×1.25 | |
| 90L | M20+tappo | M8×1.25 | |||||||||||||||||
| 100L | 28j6 | 60 | 386 | 15 | 147 | 100 | 215 | 180j6 | 250 | 4 | 200 | 15 | 105 | 105 | 8 | 31 | M20+M20 | M10×1.5 | |
| 112M | 28j6 | 60 | 393 | 14 | 165 | 112 | 215 | 180j6 | 250 | 4 | 228 | 13 | 115 | 122 | 8 | 31 | M25+M25 | M10×1.5 | |
| 132S | 38k6 | 80 | 493 | 15 | 185 | 132 | 265 | 230j6 | 300 | 4 | 258 | 14 | 115 | 122 | 10 | 41 | M25+M25 | M12×1.75 | |
| 132M | M25+M25 | M12×1.75 | |||||||||||||||||
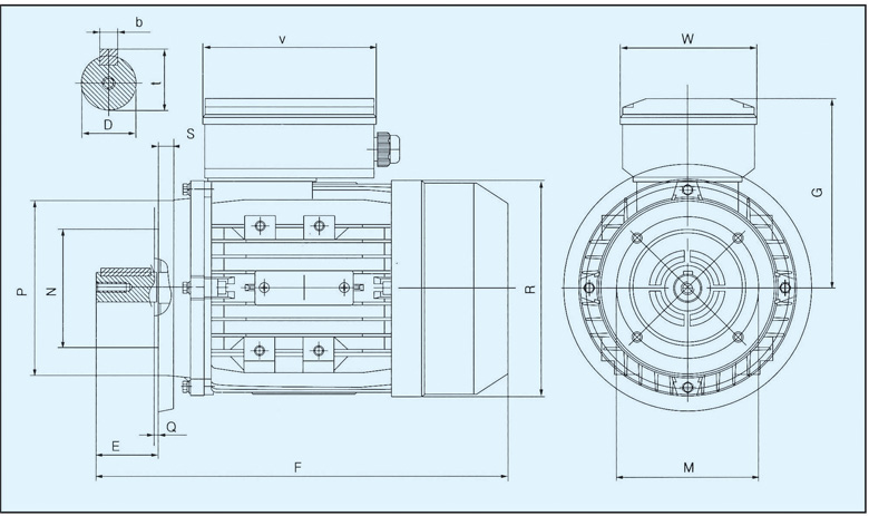
B14 타입 모터B14 TYPE MOTOR

| 모터 MOTER |
극수 No.Poles |
치수 DIMENSION | 케이블글랜드 Cable gland |
탭홀 Tapped hole |
||||||||||||||||||
| D | E | F | f | G | H | K | I | L | M | N | P | Q | R | U | V | W | b | t | ||||
| 56 | 2-4-6-8 | 9j6 | 20 | 194 | M5 | 95 | 56 | 6 | 89 | 109 | 65 | 50j6 | 80 | 2.5 | 114 | 7 | 73 | 73 | 3 | 10.2 | M16+tappo | - |
| 63 | 11j6 | 23 | 220 | M5 | 100 | 63 | 7 | 103 | 120 | 75 | 60j6 | 90 | 2.5 | 128 | 7 | 80 | 80 | 4 | 12.5 | M16+tappo | M4×0.7 | |
| 71 | 14j6 | 30 | 255 | M6 | 105 | 71 | 7 | 105 | 132 | 85 | 70j6 | 105 | 2.5 | 142 | 11 | 80 | 80 | 5 | 16 | M20+tappo | M5×0.8 | |
| 80 | 19j6 | 40 | 292 | M6 | 135 | 80 | 10 | 130 | 162 | 100 | 80j6 | 120 | 3 | 162 | 10 | 105 | 105 | 6 | 21.5 | M20+tappo | M6×1 | |
| 90S | 24j6 | 50 | 337 | M8 | 137 | 90 | 9 | 155 | 175 | 115 | 95j6 | 140 | 3 | 177 | 11 | 105 | 105 | 8 | 27 | M20+tappo | M8×1.25 | |
| 90L | ||||||||||||||||||||||
| 100L | 28j6 | 60 | 386 | M8 | 147 | 100 | 12 | 175 | 199 | 130 | 110j6 | 160 | 3.5 | 202 | 14 | 105 | 105 | 8 | 31 | M20+M20 | M10×1.5 | |
| 112M | 28j6 | 60 | 393 | M8 | 165 | 112 | 11 | 180 | 220 | 130 | 110j6 | 160 | 3.5 | 230 | 15 | 115 | 122 | 8 | 31 | M25+M25 | M10×1.5 | |
| 132S | 38k6 | 80 | 493 | M8 | 185 | 132 | 11.5 | 222 | 253 | 265 | 110j6 | 160 | 3.5 | 258 | 15 | 115 | 122 | 10 | 41 | M25+M25 | M12×1.75 | |
| 132M | ||||||||||||||||||||||
